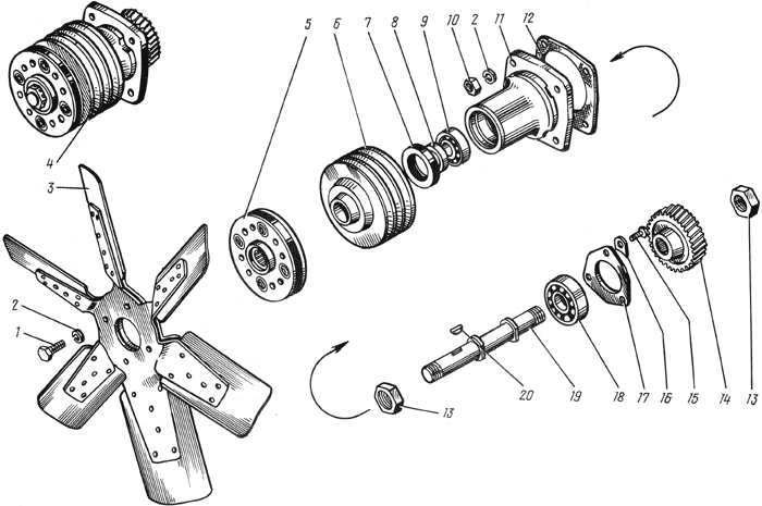
Вентилятор и привод вентилятора. ЯМЗ 236М
| № | Номер по каталогу | Кол-во | Наименование |
|---|---|---|---|
| 1 | 201499-П29 | 4 | Болт |
| 2 | 252136-П2 | 4 | Шайба |
| 3 | 236-1308012-А4 | 1 | Крыльчатка вентилятора |
| 4 | 236-1308011-Г2 | 1 | Привод вентилятора в сборе |
| 4 | 236НЕ-1308011-Е2 | 1 | Привод вентилятора в сборе |
| 5 | 236-1308090-В | 1 | Муфта упругая |
| 6 | 236-1308025-В2 | 1 | Шкив |
| 7 | 210-1701230 | 1 | Манжета |
| 8 | 236-1308055 | 1 | Втулка |
| 9 | 6-205К | 1 | Шарикоподшипник |
| 10 | 250513-П29 | 4 | Гайка |
| 11 | 236-1308102 | 1 | Корпус привода |
| 12 | 236-1308108 | 1 | Прокладка |
| 13 | 250659-П29 | 2 | Гайка |
| 14 | 236-1308 104-Б | 1 | Шестерня |
| 15 | 201456-П29 | 3 | Болт |
| 16 | 312532-П15 | 3 | Шайба |
| 17 | 236-1308107 | 1 | Фланец упорный |
| 18 | 305 | 1 | Шарикоподшипник |
| 19 | 236-1308050-В | 1 | Вал |
| 20 | 314008-П2 | 1 | Шпонка |


